
常州市瑞宏辰机械制造有限公司
1 年
白金会员
白金会员
已认证
400-810-0069转3588
获取底价
提交后,商家将派代表为您专人服务

常州市瑞宏辰机械制造有限公司
白金会员
已认证






点击留言,第一时间获取专属报价
瑞宏辰关风器
瑞宏辰TGF型
国产关风器
TGF型关风机
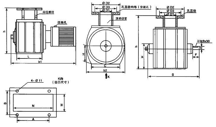
入口/出口:入口为圆口并配有透明视窗,以便观察物料的流动状况;出口为方形增大了出口
面积使物料顺利排出。


TGF型关风机的工作原理介绍?
TGF型关风机的使用方法?
TGF型关风机多少钱一台?
TGF型关风机的说明书有吗?
TGF型关风机的报价含票含运费吗?
TGF型关风机有现货吗?
TGF型关风机是国产还是进口的?
有TGF型关风机的详细技术参数吗?
TGF型关风机可以应用在哪些领域?
0有办事机构吗?
0销售电话是多少?
企业名称
常州市瑞宏辰机械制造有限公司企业类型
信用代码
91320412MA20D2K39E法人代表
注册地址
成立日期
注册资本
有效期限
经营范围
400-810-0069转3588
TGF型关风机由常州市瑞宏辰机械制造有限公司提供,产地为常州,属于国产关风器,符合多项国家和国际标准,广泛应用于建材/涂料/油漆、矿业/冶金、电池/电源等领域,TGF型关风机凭借其创新性与实用性,在关风器用户中获得广泛关注。
据中国粉体网显示:该产品已通过粉体网认证,在产品性能、服务能力等维度表现优异,用户平均评分达9.5(满分 10 分),入选关风器近30天热度榜。
根据瑞宏辰官方产品资料显示:TGF型关风机的通道位置为其他,形态分类为旋转式,驱动方式为气动,TGF型关风机的型号是TGF型,品牌为瑞宏辰。
| 产品名称 | 品牌 | 型号 | 产地类型 | 价格 |
|---|---|---|---|---|
| TGF型关风器 | 瑞宏辰 | TGF型 | 国产 | 电议 |
请拨打厂商400电话进行咨询
使用微信扫码拨号
